Характеристики
Подача, м3/ч
—
18
Напор, м
—
12
По запросу
Нашли дешевле?
Под заказ
Наши менеджеры обязательно свяжутся с вами и уточнят условия заказа
Описание
Циркуляционный насос с электронным регулированием для систем отопления и кондиционирования воздуха, одиночный фланцевый
* Обязательным параметром циркуляционных насосов высокой энергоэффективности является коэффициент EEI ≤ 0,20
Справа от картинки даны крайние точки (подача при нулевом напоре, напор при нулевой подаче).
Подробные характеристики приведены в таблице:


Технические характеристики
| Модель |
Межосевое расстояние, мм |
Фланцы | Питание, В | P1 макс., Вт | In, А | ЕЕI* | Мин. давление на всасе | ||
| t° | 90° | 100° | |||||||
| EVOPLUS B 120/250.40 M | 250 |
DN 40 PN 10 |
220/240 | 465 | 2,2 | EEI ≤ 0,20 | м.вод.ст | 20 | 25 |
* Обязательным параметром циркуляционных насосов высокой энергоэффективности является коэффициент EEI ≤ 0,20
Справа от картинки даны крайние точки (подача при нулевом напоре, напор при нулевой подаче).
Подробные характеристики приведены в таблице:
| Подача, м3/ч | 0,0 | 4,2 | 5,4 | 7,2 | 9,6 | 12 | 14,4 | 18 | 24 | 30 | 36 | 42 | 54 | 72 |
| Напор, м | 12 | 11,5 | 10,1 | 8,7 | 7,3 | 5,2 |

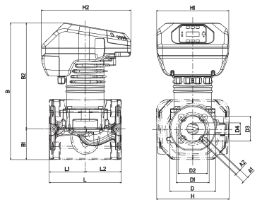
Габаритные размеры

| Модель | L | L1 | L2 | A1 | A2 | B | B1 | B2 | D | D1 | D2 | D3 | D4 | H | H1 | H2 | Вес, кг |
|
EVOPLUS B 120/250.40 M |
250 | 125 | 125 | 19 | 14 | 419 | 93 | 326 | 150 | 110 | 100 | 84 | 42 | 230 | 220 | 273 | 20 |
