Характеристики
Мощность, кВт
—
30
Частота вращения вала , об/мин
—
3000
По запросу
Нашли дешевле?
Выберите нужный вариант товара
Электродвигатель АИР180М2 (ВЭМЗ) 1081 - лапы
Электродвигатель АИР180М2 (ВЭМЗ) 2081 - комбинированный (лапы, фланец)
Электродвигатель АИР180М2 (ВЭМЗ) 3081 - фланец
Описание
Технические характеристики
| Мощность, кВт | 30 |
| Частота вращ., об/мин | 3000 |
| Номинальная частота вращения, об/мин | 2940 |
| КПД (%) | 91,5 |
| Масса, кг | 180 |
| I пуск / IN | 8 |
| М макс / MN | 2,4 |
| Коэффициент мощности | 0,89 |
| Мп/Мн | 3,3 |
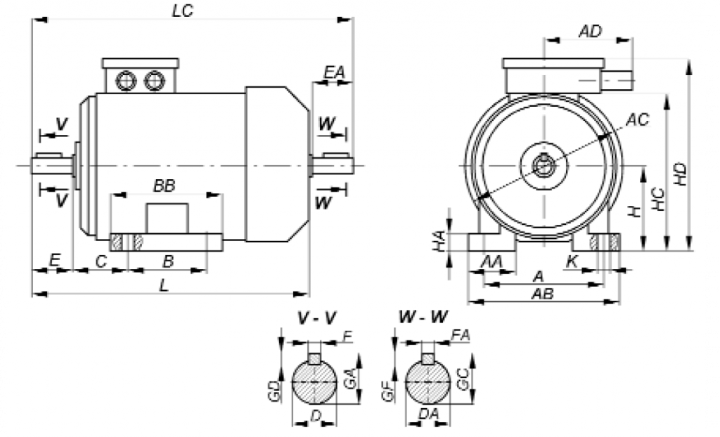
Монтажное исполнение IM 1001, IM1002

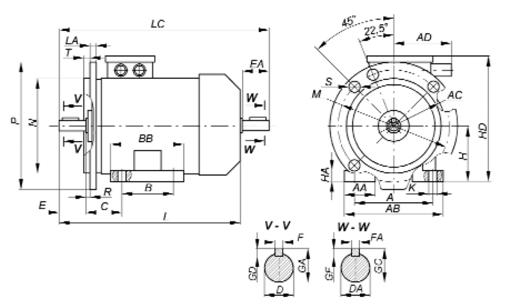
Монтажное исполнение IM 2001, IM2002

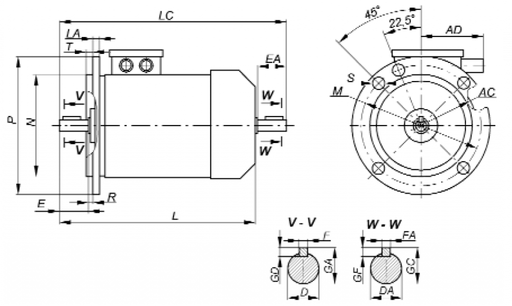
Монтажное исполнение IM 3001, IM3002

| Число полюсов | Установочные и присоединительные размеры (мм) | ||||||||||||||
| l30 | l33 | h31 | b31 | l1 | l2 | l10 | l11 | l20 | l21 | l31 | b1 | b2 | b10 | b11 | |
| 2 | 680 | 794 | 441 | 185 | 110 | 110 | 241 | 290 | 3 | 15 | 121 | 16 | 14 | 279 | 320 |
| Число полюсов | Установочные и присоединительные размеры (мм) | |||||||||||
| h | h5 | h6 | h10 | d1 | d2 | d10 | d20 | d22 | d24 | d25 | d30 | |
| 2 | 180 | 51,5 | 51,5 | 20 | 48 | 48 | 15 | 350 | 19 | 400 | 300 | 375 |
