Характеристики
Подача, м3/ч
—
1
Напор, м
—
10
Мощность электродвигателя, кВт
—
0.25
По запросу
Нашли дешевле?
Выберите нужный вариант товара
Насос ХЦМ 1/10 агрегат с двигателем
Комплектация:
агрегат с двигателем
Описание
Технические характеристики
Требования к перекачиваемой жидкости- вода - водопроводная, дистиллированная, деионизованная;
- водные растворы технически моющих средств (pH не более 12);
- растворы на основе фторуглеводородов;
- растворы щелочей концентрацией не более 30%;
- растворы кислот с концентрацией:
- азотной — не более 40%;
- серной — не более 70%;
- соляной — не более 35%.
| Удельное объемное электрическое сопротивление, менее, Ом*м | 105 |
| Температура, °C | 7-75 |
| Концентрация взвешенных частиц, не более, мг/см3 | 1,25 |
| Размер частиц, не более, мм | 0,25 |
| Плотность (ρ), не более, кг/м3 | 1500 |
| Кинематическая вязкость, не более , м2/с | 10×10-6 |
|
Давление избыточное на входе в насос, не более, МПа (кгс/см2) |
0,08 (0,8) |
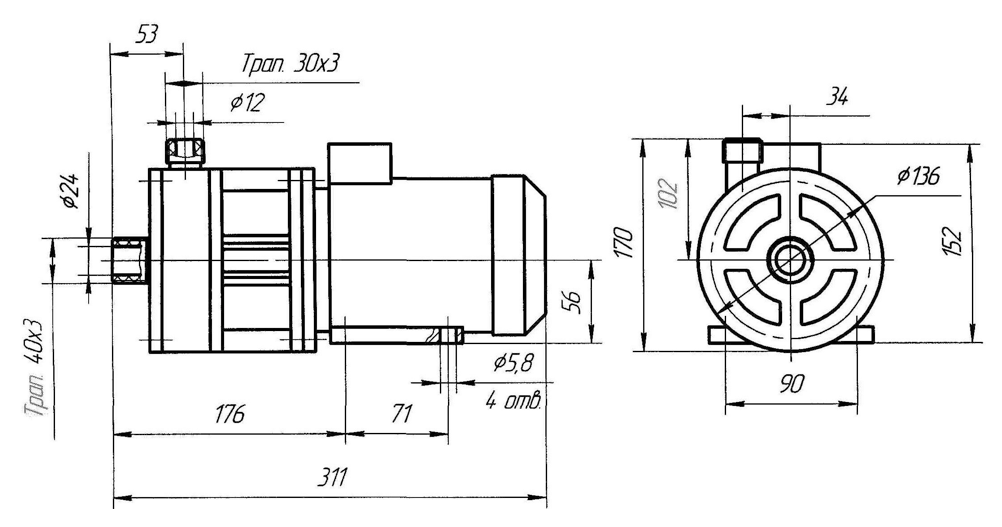
| Размер входного патрубка | Трап 40х3 |
| Размер выходного патрубка | Трап 30х3 |
| Масса, кг | 5,5 |
Характеристика насоса ХЦМ 1/10
при частоте вращения рабочего колеса n=2900 об/мин на воде плотностью ρ=1100 кг/м3
Габаритные и присоединительные размеры


