Характеристики
Мощность применяемого двигателя, кВт
—
4.0
Номинальный выходной ток, A
—
9.0
Гарантия
—
3 года
В корзину
Купить в 1 клик
Описание
Технические характеристики
| Наименование регулятора | Полная мощность, кВА | Параметры сети | Входной ток, А |
Выходной ток, А |
Габаритные размеры (ШВГ), мм | Вес, кг |
|
VCI-G4.0-4B |
5,9 |
Трехфазная сеть: 380 В, 50/60 Гц |
10,5 | 9,0 |
96x180x115 |
1,2 |
| ПОКАЗАТЕЛЬ | ЗНАЧЕНИЕ | |||
|---|---|---|---|---|
| Максимальная выходная частота | 0 ~ 320 Гц | |||
| Несущая частота | 0,5 кГц ~ 16 кГц | |||
| Точность выходной частоты |
Цифровая настройка: 0,01 Гц
Аналоговая настройка: максимальная частота x 0,2% |
|||
| Способ управления | Скалярный | Векторный с разомкнутым контуром (бездатчиковый) (SVC) | ||
| Пусковой момент | 1.0 Гц/150% (SVC) | |||
| Диапазон скоростей | 1:50 (SVC) | |||
| Точность постоянной скорости | ±0,5% (SVC) | |||
| Перегрузочная способность | 150% номинального тока в течение 60 с; 180% номинального тока в течение 3 с | |||
| Увеличение момента | Автоматическое увеличение момента | Увеличение момента вручную: 0,1% ~ 20,0% | ||
| Характеристика U/f | Прямая | Квадратичная (4 вида) | Ломанная (по нескольким точкам) | |
| Характеристика разгона/замедления | Линейный или S-образный режим разгона/замедления, четыре значения времени разгона/замедления (0,0 ~ 6500,0 с) | |||
| Торможение постоянным током |
Частота торможения постоянным током: от 0,00 Гц до 10 Гц Время торможения: от 0,0 до 100,0 с
Ток торможения: от 0,0 до 100% |
|||
| Толчковый режим | Диапазон частот толчкового режима: 0,00 Гц ~ максимальная частота | |||
| ПЛК и многоступенчатый режим работы | 16-скоростная работа через встроенный ПЛК или цифровые входы | |||
| Встроенный ПИД | Надёжная реализация системы управления с датчиком обратной связи | |||
| Автоматическая стабилизация напряжения (AVR) | При изменении напряжения сети выходное напряжение поддерживается постоянным | |||
| Защита от перенапряжения/перегрузки по току | Для предотвращения выхода устройства из строя | |||
| Быстрое ограничение тока | Позволяет избежать аварийных ситуаций при эксплуатации путем ограничения тока | |||
| ФУНКЦИОНАЛЬНЫЕ ВОЗМОЖНОСТИ | Безостановочная работа |
Пропадание питания:
менее 10 мс: непрерывная работа более 10 мс: допускается автоматический перезапуск |
||
| Поддержка сетевых протоколов | ModBUS RTU | |||
| Защита электродвигателя от перегрева | Реализуется с помощью цифровых входов | |||
| УПРАВЛЕНИЕ | Каналы управления | Панель управления, клеммы управления, сетевые протоколы | ||
| Задание частоты | Цифровое задание, аналоговое задание напряжения/тока и задание с сетевых протоколов | |||
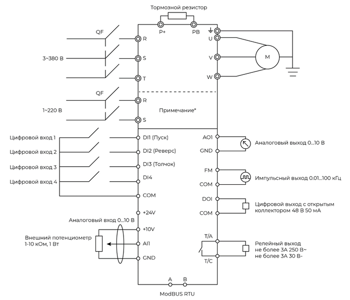
| Входы управления |
4 цифровых входных клемм (DI)
1 аналоговый вход (AI1) с диапазоном 0 ~ 10 В |
|||
| Выходы управления |
1 многофункциональный цифровой выход (DO1) 1 импульсный выход (FM) до 100 кГц
1 релейный выход (до 3 А) 1 аналоговый выход (AO1) с диапазоном 0 ~ 10 В |
|||
| ЗАЩИТЫ | Парольная защита | Защита от несанкционированного входа | ||
| Функции защиты | Защита от обрыва фазы на входе/выходе; защита от сверхтоков; защита от перенапряжения; защита от пониженного напряжения; защита от перегрева; защита от перегрузки; защита от неисправности тормозного резистора | |||
| УСЛОВИЯ ОКРУЖАЮЩЕЙ СРЕДЫ | Место установки | В помещении, вне зоны действия прямых солнечных лучей, пыли, агрессивных газов, горючего газа, масляной взвеси, пара, без выпадения конденсата | ||
| Высота над уровнем моря | Ниже 1000 м над уровнем моря (от 1000 до 3000 м при сниженных номинальных характеристиках) | |||
| Температура окружающей среды | От -10 до +40 °С (эксплуатация со сниженными номинальными характеристиками при температурах от +40 до +50 °С) | |||
| Относительная влажность | Относительная влажность ниже 90%, без конденсации | |||
| Вибрация | Менее 5,9 м/с (0,6 g) | |||
| Температура хранения | От -20 до +55 °С | |||
Схема подключения

