Характеристики
Ток электродвигателя, А
—
160
Производитель
—
АО "ГМС Ливгидромаш"
Гарантия
—
12 месяцев
126 765 ₽ /шт
137 788 ₽
-8%
Экономия 11 023 ₽
Варианты цен
126 765 ₽ /шт
137 788 ₽
-8%
Экономия 11 023 ₽
Нашли дешевле?
В корзину
Купить в 1 клик
Документы
Руководство по эксплуатаци Лоцман L2
703,8 кб
Описание
Технические характеристики
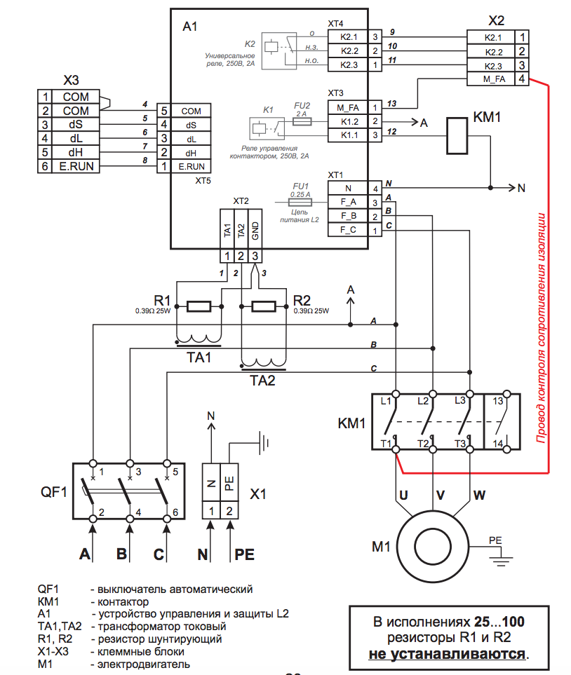
Мощность двигателя, кВт: 45..75 Масса, кг: 25 Ток электродвигателя, А: 115..160 Степень защиты корпуса: IP 54 Габаритные размеры, мм, не более: 650х500х220 Количество подключаемых датчиков: до 4 Номинальное напряжение силовой цепи, В: 380 Частота тока питающего напряжения, Гц: 50 Номинальное напряжение питания микроконтроллера, В : 220 Номинальное напряжение цепей питания датчиков уровня, В: 15Электрическая схема подключения
Схема подключения датчиков уровня
