По запросу
Нашли дешевле?
Под заказ
Наши менеджеры обязательно свяжутся с вами и уточнят условия заказа
Описание
Технические характеристики
C защитой двигателя| Модель | Напряжение, В | Рабочий ток, А | Степень защиты | Размеры ШхВхД, мм | Вес, кг |
| R-ET12KT | 230 | 12 | IP 21 |
270*323*163 |
11,2 |
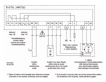
Схема подключения

