По запросу
Нашли дешевле?
Под заказ
Наши менеджеры обязательно свяжутся с вами и уточнят условия заказа
Описание
Технические характеристики
Без защиты двигателя| Модель | Напряжение, В | Рабочий ток, А | Степень защиты | Размеры ШхВхД, мм | Вес, кг |
| RD14 | 400 | 14 | IP 21 |
450*290*174 |
30,2 |
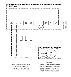
Схема подключения

